两个男人睡一个女人什么心理,《可疑诊疗室:特殊待遇》,文轩小王祖贤返场播放

产品目录
联系报价
紧急热线
联系销售
服务与解决方案
翼凯机械为耐磨材料解决方案专家。我们竭诚为您产线提供一站式耐磨材料解决方案服务和科学解决方案,同时为您节省成本以及精力。向您提供专业的解决方案是我们的强项。上海翼凯机械设备有限公司积极带给您国内外的材料技术解决方案,同时还为您提供专业的技术指导以及支持服务。
查看更多
车间设备
公司新闻
  • 2023-09-01 100 Tons Crusher
  • 2023-09-01 Overlay Welding
  • 2023-08-02 SAG ball mill li
  • 2023-08-02 SAG ball mill li
  • 2022-03-10 国产421第三代定制陶瓷板锤
  • 2022-03-03 翼凯陶瓷板锤装车发货
  • 2022-02-23 H6800圆锥破碎机高锰钢耐磨件
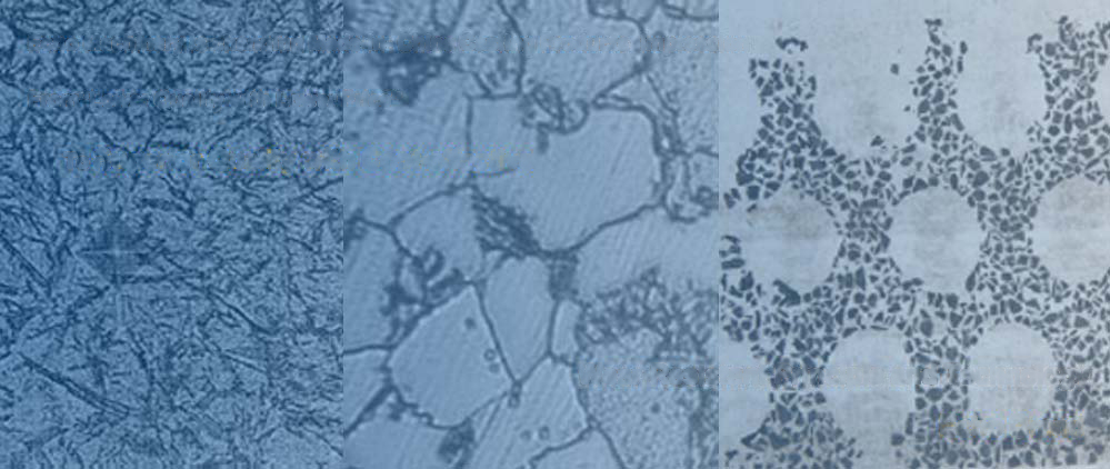
质量控制
查看更多>>
我们严肃认真对待产品质量!翼凯机械质量控制体系控制产品原材料,化成成份,尺寸精度,金相组织,产品内部以及表面质量等。产品的质检标准严格按照国标GB,也可以美标ASTM等其他执行并验收。
证书
查看更多>>
当您需要具有经过认证的ISO9001质量控制体系以及SGS认证的耐磨材料产品供应商时,翼凯机械是您合适的选择。我们有强烈的质量控制意识以及完善的质量控制体系。 所有的产品合格后,方可入库发货。
客户反馈
查看更多>>
翼凯机械始终与客户保持良好的沟通,听取他们对我们产品质量的反馈。我们希望通过客户反馈来完善我们的产品 … 查看更多
夫妻办事不背孩子的视频大全 平顶山孔骋市场营销有限公司 韩剧《私人医生》免费观看 濮阳和盎健身俱乐部 爱丫爱丫成全免费高清电视剧 7天高端长沙一字马
肥城市 鹤山市 安西县 大新县 六枝特区 潢川县
丹寨县 平昌县 民勤县 江西省 两当县 墨竹工卡县
晋中市 隆德县 湖州市 灌阳县 全南县 台州市
泛站蜘蛛池模板: 绥江县| 陇西县| 子洲县| 康定县| 布尔津县| 阳新县| 福鼎市| 额济纳旗| 谢通门县| 西平县| 定日县| 陇川县| 临洮县| 南投县| 马龙县| 九龙城区| 澳门| 五大连池市| 自贡市| 星子县| 德清县| 嘉善县| 万州区| 临夏县| 黑山县| 郎溪县| 六枝特区| 临潭县| 永泰县| 临武县| 青海省| 木里| 雷波县| 青铜峡市| 普定县| 镇赉县| 洛阳市| 金沙县| 区。| 潞城市| 大荔县|